
特性
雙向可控硅輸出,零電壓開啟,零電流關斷;
輸入回路與輸出回路之間光隔離;
輸入輸出之間隔離耐壓2500V;
功率金屬氧化物場效應管輸出(MOSFET)
***的導通電阻;
輸入信號與TTL邏輯電路兼容;
輸入回路與輸出回路之間變壓器隔離;
發光二極管指示工作狀態;
配有安全保護蓋。




一、產品特點:
1、功率金屬氧化物場效應管輸出(MOSFET);
2、***的導通電阻;
3、輸入信號與TTL邏輯電路兼容;
4、輸入回路與輸出回路之間變壓器隔離;
5、發光二極管指示工作狀態;
6、配有安全保護蓋;
7、100%負載電流老化試驗,通過歐共體CE認證,***ISO9000認證,國內3C認證。
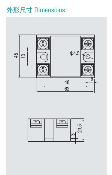
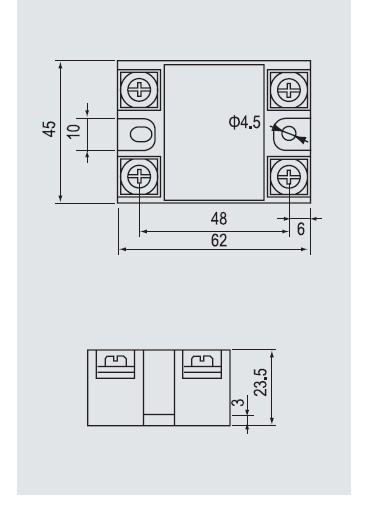
二、型號說明:


四、產品應用:
SSR系列直流固態繼電器采用阻燃工程塑料外殼,造型別致,結構新穎,自升螺絲壓接式接線,配有安全蓋,使安裝、檢查方便快捷、安全可靠。輸入端驅動電流小可方便的與計算機終端和各種數字程控電路接口,廣泛應用在石油化工儀器設備、食品機械、包裝機械、紡織機械、數控機床、塑料機械、健身器材、娛樂設施等自動化控制領域。
特別適用于腐蝕、潮濕、防塵、要求防爆等惡劣環境,及頻繁開關的場合。
五、安全注意事項:
1、負載電流高于5A時必須使用散熱器或安裝在具有相應散熱效果的金屬底板上,并且固態繼電器散熱底板與安裝面之間涂上導熱硅脂,40A以上加風扇強冷或水冷。
2、使用在感性負載時,高瞬態電壓以及浪涌電流施加與輸出端,因此可能導致固態繼電器誤導通或損壞,通常需要在輸出端接入具有特定鉗位電壓的電壓控制器件,如雙向穩壓二極管或壓敏電阻(MOV)。壓敏電阻推薦取額定電壓的1.6-1.9倍。
3、控制接近小負載電流的較小負載電流負載時,須在負載上并聯一個虛擬負載電阻,以減小輸出端漏電流在負載上產生較高的剩余電壓。
4、為了避免固態繼電器的溫升超過允許值,設計應用時應考慮散熱效果和安裝位置,當兩只或多只固態繼電器并排安裝時,應留有適當的間距。
5、多只固態繼電器的輸出端之間不得并聯使用,以試圖增大輸出電流。但輸出端可以串聯使用,以便適用更高的工作電壓。
6、當使用多只固態繼共用一個控制電源時,輸入端即可以串聯使用也可以并聯使用。
7、容性負載請慎用此件,請選擇容性負載專用固態繼電器。