

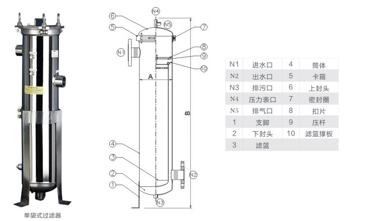
袋式過濾器是一種結構新穎、體積小、操作簡便靈活、節能、高效、密閉工作、適用性強的多用途過濾設備,過濾器內部由金屬網籃支撐濾袋,液體由入口流進,經濾袋過濾后從出口流出,雜質則被攔截在濾袋中。濾袋可更換或清洗后繼續使用。



型號
規格
結構形式
壁厚
(mm)
袋式規格
過濾面積
m2
參考流量
t/h
進/出口
BFH167-4#
Φ167-745
卡箍式
普通法蘭
活動法蘭
1.5
102*410
0.13
10
DN25內絲
BFH219-1#
Φ219-745
卡箍式
普通法蘭
活動法蘭
1.5
180*410
0.23
15
DN40內絲
BFH219-2#
Φ219-1145
卡箍式
普通法蘭
活動法蘭
1.5
180*810
0.46
30
DN50內絲
BFH400-2
Φ400-1350
活動法蘭
2
180*810
0.92
60
DN80
BFH500-3
Φ500-1550
活動-搖臂
3
180*810
1.38
90
DN100
BFH550-4
Φ550-1575
活動-搖臂
3
180*810
1.84
120
DN100
BFH600-5
Φ600-1600
活動-搖臂
3
180*810
2.3
150
DN125-150
BFH650-6
Φ650-2000
活動-搖臂
3
180*810
2.76
180
DN150
BFH750-8
Φ750-2075
活動-搖臂
3
180*810
3.68
240
DN150-200
BFH800-9
Φ800-2100
活動-搖臂
3
180*810
4.14
270
DN200
BFH850-9
Φ850-2125
活動-搖臂
3
180*810
4.14
270
DN200
BFH900-10
Φ900-2150
活動-搖臂
4
180*810
4.6
300
DN200
BFH950-12
Φ950-2200
活動-搖臂
4
180*810
5.52
360
DN200-250
BFH1000-12
Φ1000-2230
活動-搖臂
4
180*810
5.52
360
DN200-250

工作壓力:0.2MPa-0.6MPa
工作溫度:5℃-40℃(特殊溫度可定做)
接口形式:快開、螺紋、法蘭
設計流量:1-360m³/h
過濾精度:1-800微米
筒體材質:SUS304、SUS316L
表面處理:亞光噴砂、電解拋光、鏡面拋光

1. 用途廣泛,可用于粗濾或精濾;
2. 過濾精度高,適用于任何細微顆粒或懸浮物;
3. 操作簡單方便,占地面積較小,安裝簡易;
4. 單位過濾面積的處理流量大,阻力小,過濾效率高;
5. 有效過濾面積大,一個濾袋過濾功能相當于同類型濾芯5~10倍,可大大降低成本;
6. 在達到同等過濾效果前提下,比濾芯式過濾器何原水預處理過濾器等設備有優勢:投資成本低、過濾成本低,使用壽命長。
優勢特點:
1. 濾袋側漏機率小,有力地保證了過濾品質。
2. 濾袋過濾精度不斷提高,目前已達到0.5微米。
3. 過濾器濾袋清洗后可反復使用、節約成本。
4. 袋式過濾應用范圍廣,使用靈活,安裝方式多樣。
5. 更換濾袋時方便快捷,而且過濾機免清洗,省工省時。
6. 承載更大的工作壓力,壓損小,運行費用低,節能效果明顯。


1. 無論產品價格多少出廠前均進行施壓檢測,并提供我公司出具的產品質量合格證.
2. 我們提供完整的產品操作說明書及免費的電話指導安裝,如客戶要求上門安裝調試,則需另外收取調試費。
3. 我廠出售的所有產品保修期為一年(配件除外)。
4. 在接到設備故障信息后,大型設備10個工作日內趕到現場并解決問題,小型設備一般由客戶送修,或者可以選擇快遞或物流運輸到我們公司進行維修。
5. 用戶可以通過電話咨詢有關技術問題,并得到明確的解決方案。
6. 在保修期內,以下情況將實行有償維修服務;
a. 由于人為或不可抗拒的自然現象而發生的損壞;
b. 由于操作不當而造成的故障或損壞;
c. 由于對產品的改造、分解、組裝而發生的故障或損壞。

1. 本店所銷售的所有產品皆為本公司直接生產的,是全新未使用過的合格正品。
2. 資料中所承諾的質量、規格、參數、性能等。符合國家ISO質量認證體系,并提供產品技術資料。
3. 購機者如發現產品與貴公司要求不符或質次、損壞等問題,我方立即無條件負責補齊、更換或賠償。
4. 您在購買商品前可就商品參數、質量、規格等具體問題通過旺旺、QQ等方式或直接手機和我聯系。
5. 決定購買商品后請拍下商品、支付款項后,請提供您詳細的地址和聯系電話。已便送貨時及時聯系您。如您選擇線下支付,簽訂合同交付30%預付款,發貨當日交付70%余款,
6. 買家付款后,倉庫有現貨的一般將在1-2天內發貨,如遇特殊情況會提前告知,如是定制產品,發貨時間延后7-20天。
7. 本店發貨默認佳吉物流,其它物流有德邦、天地華宇、安能物流等。如需發指定物流請聯系我們客服人員。
8. 買家收貨您一定注意在當場驗收包裹內的物品數量、配件是否齊全;商品外觀是否有明顯的因摔、撞、擠、壓引起的損傷。確認無誤后再簽收,如有破損,請勿簽收,并及時和我們客服人員聯系。
9. 收到貨后請及時確認并給予評價。謝謝您的合作。
10.當您的產品安裝時,您可以隨時電話聯系我們,我們將為您做全程安裝、調試指導。
11.本店不支持免費寄樣,如需看樣將按商品價格酌情收費。










聯系人:小何
手 機:
Q Q:51
電 話:
傳 真:
旺 旺:富陽華亨實業
地 址:浙江省杭州市富陽區東洲街道富民路688號


浙江華亨實業有限公司坐落于素有“上有天堂,下有蘇杭之稱的杭州市富陽區,毗鄰杭新景高速公路東洲島出口,風景秀美、交通便捷。華亨實業始建于1990年,數十年來始終專注于水處理設備及流體控制設備制造領域。近些年來在國內外水處理事業的蓬勃發展態勢下,公司經歷了行業的迅速發展期,資金實力以及綜合競爭得到了大幅度提高,逐漸完成了對行業優質企業的部分資產、技術人才的收購以及自身設備工藝的更新與完善。現已成為江浙瀘地區規模與實力的水處理設備以及流體控制設備領域專業制造商。


